Cégünknél a magánszemélyek (jogi nyelven: fogyasztók) kiszolgálása a www.tibo.hu webáruházban történik.
Az oda való átjelentkezéshez kattintson az alábbi „Magánszemélyként lépek be” gombra!
| Ft /darab | ||||
|---|---|---|---|---|
| Nettó | Bruttó | |||
| Az Ön ára | Jelentkezz be az ár megtekintéséhez | |||
| Szállítási idő: | 4 - 10 munkanap | |||
|
Ez egy olyan termék, ami nálunk jelenleg nincs raktáron, de az Ön megrendelésére, az importőrtől rendszerint néhány napon belül beszerezhető, vagy rövid határidőn belül legyártatható. Ez az esetek nagy részében azt jelenti, hogy a részünkre kedden 12:00 óráig leadott rendelését a futár már ugyanazon a héten pénteken (vagy terjedelmesebb árucikkek esetén az azt követő hétfőn) kézbesíti Önnek, de a szállítási idő - e termék esetében - nem haladja meg a 4 - 10 munkanapot. |
||||
| Figyelem! Ezt a terméket nem tartjuk raktáron. Ha rendel belőle, megrendelését előreutalással kell kifizetnie! | ||||
|
Figyelem! Az adószámmal rendelkező vállalkozások és közintézmények nagykereskedelmi áron történő vásárlásához regisztráció / bejelentkezés szükséges! |
||||
A termék megvásárlásához jelentkezz be
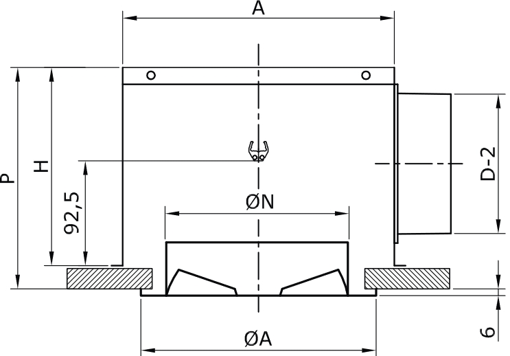
Termék cikkszám: A04471C000125
RWR-N 125 perdületes mennyezeti acél anemosztát 8 db fix lamellával, NA 125 mm; Maximális légszállítás 95 m³/h; Kör alakú, örvényes mennyezeti befúvó/elszívó anemosztát; Anyaga acél, színe fehér (porszórt, RAL 9016); Levegő befúvásra és elszívásra alkalmas, szellőző és légkondicionáló rendszerekben; Direkt beépítés csőcsonkba (elszívás), vagy osztódobozba (befúvás);



