Cégünknél a magánszemélyek (jogi nyelven: fogyasztók) kiszolgálása a www.tibo.hu webáruházban történik.
Az oda való átjelentkezéshez kattintson az alábbi „Magánszemélyként lépek be” gombra!
| Ft /darab | ||||
|---|---|---|---|---|
| Nettó | Bruttó | |||
| Az Ön ára | Jelentkezz be az ár megtekintéséhez | |||
| Szállítási idő: | 3 - 5 hét | |||
|
Ez a termék sem a mi raktárunkban, sem a beszállítóinknál nincs készleten, így kifejezetten az Ön megrendelésére gyártatjuk le, illetve szerezzük be. Átlagos szállítási ideje 3 - 5 hét (Az átlagos szállítási idő az az időtartam, amennyi alatt a termék az ügyfeleink megrendelésétől, illetve az általuk kifizetett vételár beérkezésétől számítva, hozzánk általában megérkezik). Ha ilyen terméket rendel, az általunk vállalt szállítási határidőt egy e-mailben pontosítjuk. Amennyiben az ebben vállalt szállítási határidő több, mint az itt, a webshopban eredetileg kiközölt 3 - 5 hét, Ön a megrendelését 1 napon belül, egy válasz e-mailben minden további következmény nélkül lemondhatja. |
||||
| Figyelem! Ezt a terméket nem tartjuk raktáron. Ha rendel belőle, megrendelését előreutalással kell kifizetnie! | ||||
|
Figyelem! Az adószámmal rendelkező vállalkozások és közintézmények nagykereskedelmi áron történő vásárlásához regisztráció / bejelentkezés szükséges! |
||||
A termék megvásárlásához jelentkezz be
Termék cikkszám: A04490C000200
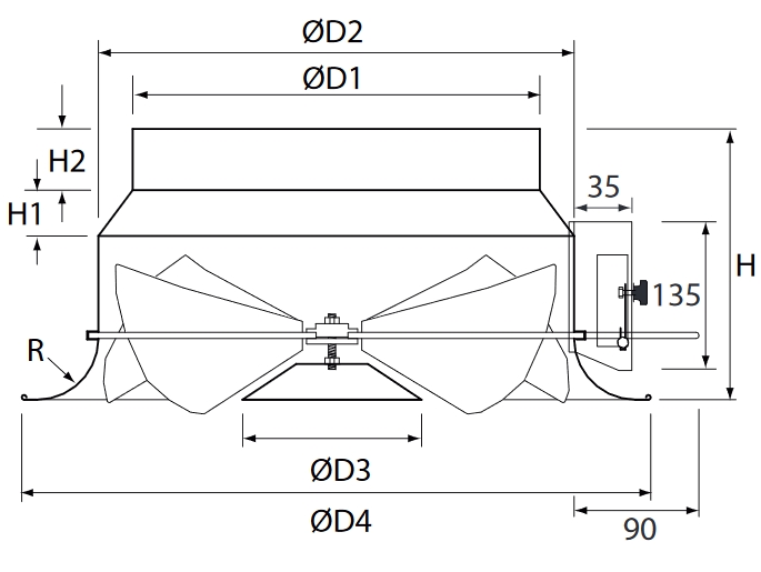
RWR-4 200 örvényes mennyezeti anemosztát; Csatlakozó méret: NA 200 mm; Maximális légszállítása 300 m³/h; Az örvényes mennyezeti anemosztátok nagy belmagasságú helyiségekben alkalmazhatók levegő befúvásra a szellőző és légkondicionáló rendszerekben; Kézzel állítható lamellákkal; Anyaga: acél és alumínium kombinációja, színe fehér (RAL 9016);



