Cégünknél a magánszemélyek (jogi nyelven: fogyasztók) kiszolgálása a www.tibo.hu webáruházban történik.
Az oda való átjelentkezéshez kattintson az alábbi „Magánszemélyként lépek be” gombra!
| Ft /darab | ||||
|---|---|---|---|---|
| Nettó | Bruttó | |||
| Az Ön ára | Jelentkezz be az ár megtekintéséhez | |||
| Szállítási idő: | raktárról azonnal | |||
|
A raktárról azonnal történő szállítás azt jelenti, hogy ezt a terméket raktárunkban, megfelelő mennyiségben, folyamatosan készleten tartjuk, ezért ez az árucikk békéscsabai boltunkban (nyitva tartási időben) azonnal átvehető. Amennyiben pedig házhozszállítással rendel belőle, akkor a termék jellegétől és a megrendelés leadásának időpontjától függően, általában 1 - 2 munkanap alatt juttatjuk el, az Ön által megadott címre (tapasztalatunk szerint, a terjedelmesebb termékek kiszállítása, illetve a 12:00 után leadott rendelések feldolgozása és kiszállítása két munkanapot vesz igénybe, a kisebb csomagok pedig 1 nap alatt érnek oda). |
||||
|
Figyelem! Az adószámmal rendelkező vállalkozások és közintézmények nagykereskedelmi áron történő vásárlásához regisztráció / bejelentkezés szükséges! |
||||
A termék megvásárlásához jelentkezz be
Termék cikkszám: I090102010025
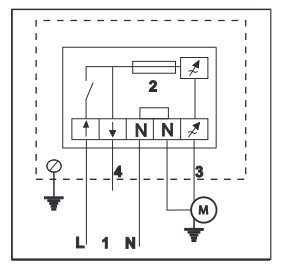
Elektromos, kézi vezérlésű fordulatszám szabályzó egyfázisú motorokhoz. Süllyesztve vagy falon kívül egyaránt szerelhető. Színe: fehér (RAL 9001). Egy, vagy akár egyszerre több ventilátor (kismotor, stb.) fordulatszáma is vezérelhető egy készülékkel, ha azok áramfelvétele összeadva nem haladja meg a 2,5 Amper áramfelvételt. A minimális fordulatszámot kondenzátorral, a felszerelése / beépítése előtt kell beállítani.

(fali- és süllyesztett)

