Cégünknél a magánszemélyek (jogi nyelven: fogyasztók) kiszolgálása a www.tibo.hu webáruházban történik.
Az oda való átjelentkezéshez kattintson az alábbi „Magánszemélyként lépek be” gombra!
| Ft /darab | ||||
|---|---|---|---|---|
| Nettó | Bruttó | |||
| Az Ön ára | Jelentkezz be az ár megtekintéséhez | |||
| Szállítási idő: | 4 - 10 munkanap | |||
|
Ez egy olyan termék, ami nálunk jelenleg nincs raktáron, de az Ön megrendelésére, az importőrtől rendszerint néhány napon belül beszerezhető, vagy rövid határidőn belül legyártatható. Ez az esetek nagy részében azt jelenti, hogy a részünkre kedden 12:00 óráig leadott rendelését a futár már ugyanazon a héten pénteken (vagy terjedelmesebb árucikkek esetén az azt követő hétfőn) kézbesíti Önnek, de a szállítási idő - e termék esetében - nem haladja meg a 4 - 10 munkanapot. |
||||
| Figyelem! Ezt a terméket nem tartjuk raktáron. Ha rendel belőle, megrendelését előreutalással kell kifizetnie! | ||||
|
Figyelem! Az adószámmal rendelkező vállalkozások és közintézmények nagykereskedelmi áron történő vásárlásához regisztráció / bejelentkezés szükséges! |
||||
A termék megvásárlásához jelentkezz be
Termék cikkszám: A04702C200105
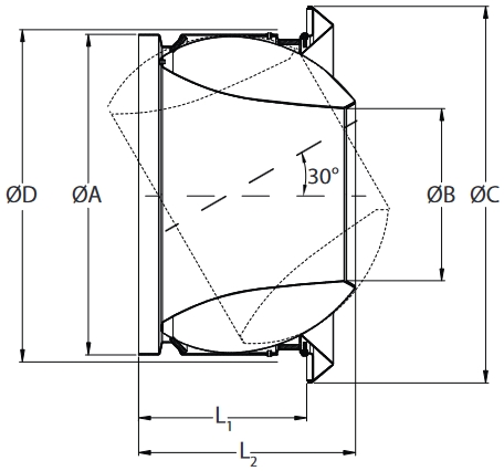
JET-GD sugárbefúvó; JET alumínium (fehér, RAL9016) befúvó manuálisan állítható 30°-ban minden irányban; Szellőző és légkondicionáló rendszerekben használatos; Hideg és meleg levegő befúvására, ahol előírás a nagy vetőtávolság és az alacsony zajszint; A befúvási szög manuálisan állítható a hűtési vagy fűtési igénynek megfelelően;


